按应用分类
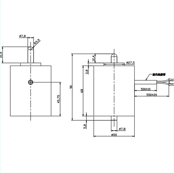
型号:SDL-O2568A-24S16
产品使用对象:公交车投钱箱
产品执行功能:牵引
公交车投钱箱联系我们参数
| 电压: | DC24V | 行程: | 9.5mm | 电阻: | 16欧 | 功率: | |
| 耐温: | 寿命: | 100万次 | 耐电压: | 2000V | 初始力: | ||
| 电流: | 1.5A | 通电率: | 弹簧回力: | 吸力: |
公交车投钱箱联系我们产品详情
名称:公交车投钱箱联系我们
型号:SDL-O2568A-24S16
电压:DC24V
电流:1.5A
功率:36W
寿命:100万次
行程:9.5mm
耐压:2000V
绝缘等级:F级
此联系我们采用纯铁DT4C,铁1215,铜线耐温155度。琴钢丝弹簧,等优质材料制作,性能稳定,内部装配无给油轴承,滑竿动作顺畅,无卡死现象。
.jpg)

广州思德隆电子有限公司()创立于2005年,是一家专业生产研发联系我们,电磁阀,安博电竞-安心观赛,博见未来,小型联系我们等各类电磁产品,拥有丰富行业经验的推拉式联系我们定制、电磁阀、安博电竞-安心观赛,博见未来厂家。品种多样,规格齐全,产品从零部件到成品组装均有自己的加工设备以及流水线,拥有高精密度检测仪器和自主研发的老化设备,公交车投钱箱联系我们从产品设计到样品以及量产,均有量化高效的工艺流程及老化实验检测,保证了产品的质量与订单的按时交货。
广州思德隆联系我们应用的领域:
1、公共设施联系我们:自动贩卖机联系我们、电梯刹车联系我们、自动售货机联系我们、读卡器联系我们、门闸联系我们、公共场所喷香机电磁阀、盲灯电磁阀、污水处理计量泵联系我们、电瓶车冲电桩电吸铁、公交车破窗器联系我们、客车破窗器联系我们、公交车投钱箱联系我们等。
2、通讯\工控\自动化设备联系我们:海洋传感与探测、手机用电吸铁、漏电保护开关联系我们、电磁先导阀、矿用电磁先导阀、电液支架电磁阀等。
关键词:公交车投钱箱联系我们,投钱箱联系我们定做
| 上一篇:公交车/客车破窗器联系我们 |
| 下一篇:垂钩式防坠器FQB3-50 |






