按应用分类
型号:SDL-DYC23090A-24L6.3
产品使用对象:深海地质勘探设备
产品执行功能:取样器脱落器
深海地质勘探取样器环形电永磁吸盘联系我们参数
| 电压: | DC24V | 行程: | 电阻: | 6.3欧 | 功率: | 91.4W | |
| 耐温: | 寿命: | 3年 | 耐电压: | 初始力: | 240KG | ||
| 电流: | 3.8A | 通电率: | 5% | 弹簧回力: | 吸力: |
深海地质勘探取样器环形电永磁吸盘联系我们产品详情
深海地质勘探取样器环形电永磁吸盘联系我们
型号:SDL-DYC23090A-24L6.3
参数:
电压:DC24V
电流:3.8A
电阻:6.3欧
初始力:240KG
功率:91.4W
通电率:5%
寿命:3年
环境温度:0~40
是否防水:是
是否耐油:否
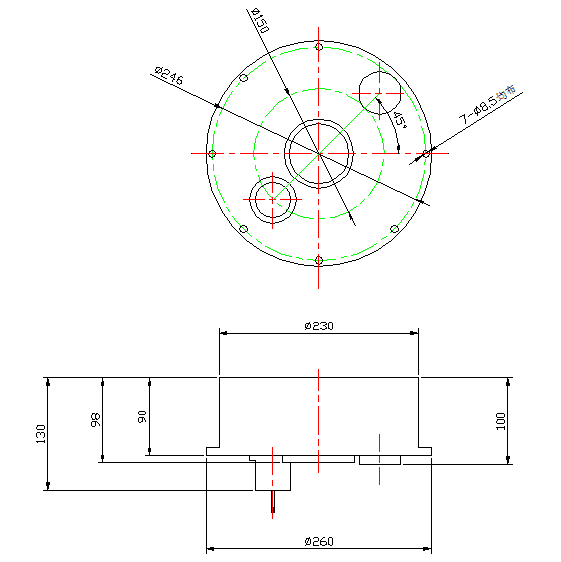
产品描述:环形电永磁吸盘联系我们,外观镀镍。电永磁吸盘内部填充无空隙。绕线平整,可应用于深海(海底6000米)地质勘探,灌封胶使用美国3M软质抗压灌封胶。接入线长150mm以上。
产品使用行业:深海地质勘探设备
产品执行功能:取样器脱落器
拓展适用行业:远距离负重长延时开关
产品特点:抗压、耐腐蚀,长期保持吸力,顺时消磁。



广州思德隆电子有限公司()创立于2005年,是一家专业生产研发联系我们定制加工,电磁阀定制,安博电竞-安心观赛,博见未来,小型联系我们等各类电磁产品,拥有丰富行业经验的广州联系我们厂家、广州电磁阀厂家、安博电竞-安心观赛,博见未来厂家。品种多样,规格齐全,产品从零部件到成品组装均有自己的加工设备以及产生线,拥有高精密度检测仪器和自主研发的老化设备,已通过(ISO9001认证)专业制造深海勘探取样器吸盘联系我们|环形电永磁吸盘联系我们从产品设计到样品以及量产,均有量化高效的工艺流程及老化实验检测,保证了产品的质量与订单的按时交货。
关键词:深海勘探取样器吸盘联系我们,环形电永磁吸盘联系我们
| 上一篇:没有信息了 |
| 下一篇:机械手电永磁吸盘联系我们 |






