按应用分类
型号:SDL-XP3038A-24L72
产品使用对象:自动控制设备
产品执行功能:吸附
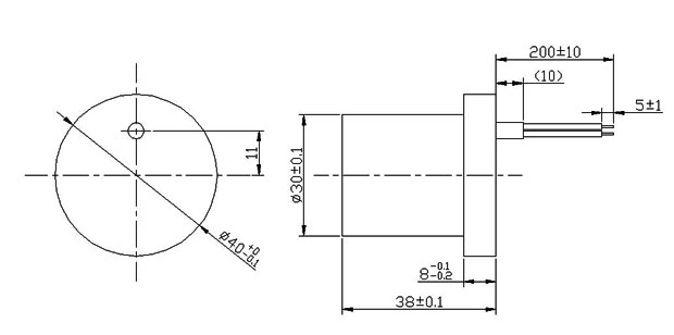
直流小型联系我们吸盘 圆形电磁吸盘参数
| 电压: | DC24V | 行程: | 电阻: | 72欧 | 功率: | 8W | |
| 耐温: | 寿命: | 50万次 | 耐电压: | 初始力: | 12KG | ||
| 电流: | 0.333A | 通电率: | 100% | 弹簧回力: | 吸力: | 12KG |
直流小型联系我们吸盘 圆形电磁吸盘产品详情
直流小型联系我们吸盘 圆形电磁吸盘
型号:SDL-XP3038A-24L72
参数
电压:DC24V
电流:0.333A
功率:8W
电阻:72欧
初始力:12KG
通电率:100%
寿命:50万次
是否防水:是
是否耐油:是
产品使用行业:自动控制设备
.jpg)
.jpg)
.jpg)
广州思德隆电子有限公司()创立于2005年,是一家专业生产研发联系我们定制加工,电磁阀定制,安博电竞-安心观赛,博见未来,小型联系我们等各类电磁产品,拥有丰富行业经验的广州联系我们厂家、广州电磁阀厂家、安博电竞-安心观赛,博见未来厂家。品种多样,规格齐全,产品从零部件到成品组装均有自己的加工设备以及产生线,拥有高精密度检测仪器和自主研发的老化设备,已通过(ISO9001认证)专业制造车灯联系我们/透镜联系我们从产品设计到样品以及量产,均有量化高效的工艺流程及老化实验检测,保证了产品的质量与订单的按时交货。
/elinfo-168.html
/elinfo-169.html
/elinfo-170.html
/elinfo-171.html
关键词:直流联系我们吸盘,小型联系我们吸盘,圆形电磁吸盘






