按应用分类
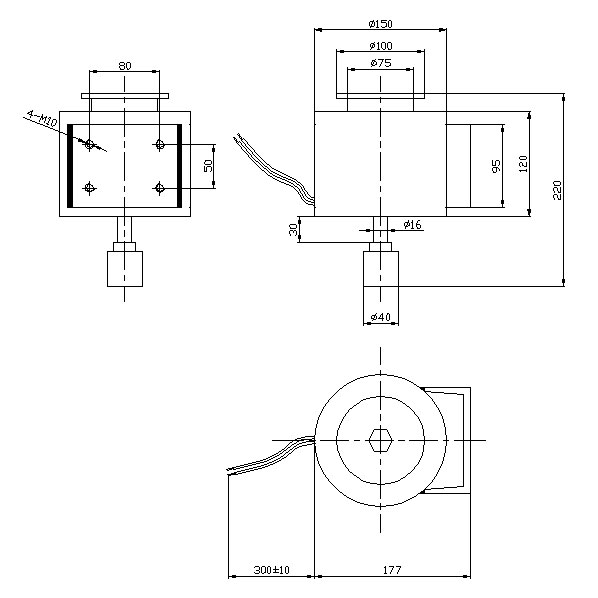
型号:SDL-o75150B-220S200
产品使用对象:机械自动化
产品执行功能:推拉
机械自动化设备用圆管推拉式联系我们参数
| 电压: | DC220V | 行程: | 20~30MM | 电阻: | 200 | 功率: | 242W |
| 耐温: | 寿命: | 10万次 | 耐电压: | 初始力: | 20KG | ||
| 电流: | 1.1A | 通电率: | 10% | 弹簧回力: | 吸力: | 20KG |
机械自动化设备用圆管推拉式联系我们产品详情
机械自动化设备用圆管推拉式联系我们
型号:SDL-o75150B-220S200
参数
行程:20~30MM
电压:DC220V
电流:1.1A
电阻:200
功率:242W
初始力:20KG
通电率:10%
寿命:10万次
单次通电时间:瞬间
产品使用行业:机械自动化
产品执行功能:推拉
拓展适用行业:自动生产线联系我们
产品特点:体积小,力量大。



/coinfo-40.html
/coinfo-39.html
/elinfo-183.html
/elinfo-182.html
广州思德隆电子有限公司(/)创立于2005年,是一家专业生产研发联系我们定制加工,小型联系我们等各类电磁产品,拥有丰富行业经验的广州联系我们厂家、电磁阀厂家。品种多样,规格齐全,产品从零部件到成品组装均有自己的加工设备以及产生线,拥有高精密度检测仪器和自主研发的老化设备,专业制造机械自动化设备用圆管推拉式联系我们从产品设计到样品以及量产,均有量化高效的工艺流程及老化实验检测,保证了产品的质量与订单的按时交货。
关键词:圆管推拉式联系我们
| 上一篇:游戏机用大行程框架式推拉联系我们 |
| 下一篇:48V强力圆管式推拉联系我们定制 |






