按应用分类
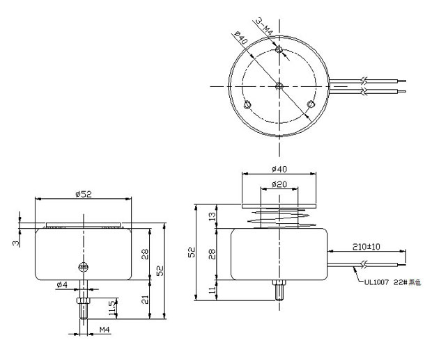
型号:SDL-o2028C-48S16
产品使用对象:智能机械人
产品执行功能:推拉机械手
48V强力圆管式推拉联系我们定制参数
| 电压: | DC48V | 行程: | 10MM | 电阻: | 16 | 功率: | 144W |
| 耐温: | 寿命: | 20万次 | 耐电压: | 初始力: | 2KG | ||
| 电流: | 3A | 通电率: | 弹簧回力: | 吸力: |
48V强力圆管式推拉联系我们定制产品详情
48V强力圆管式推拉联系我们定制
型号:SDL-o2028C-48S16
参数
行程:10MM
电压:DC48V
初始力:2KG
电流:3A
电阻:16
功率:144W
寿命:20万次
单次通电时间:1S
反应速度:50MS
温升要求:65
产品使用行业:智能机械人
产品执行功能:推拉机械手
拓展适用行业:自动化设备
产品特点:体积小,有安装法兰,行程大。




广州思德隆电子有限公司(/)创立于2005年,是一家专业生产研发联系我们定制加工,小型联系我们等各类电磁产品,拥有丰富行业经验的广州联系我们厂家、广州电磁阀厂家、安博电竞-安心观赛,博见未来厂家。品种多样,规格齐全,产品从零部件到成品组装均有自己的加工设备以及产生线,拥有高精密度检测仪器和自主研发的老化设备,已通过(ISO9001认证)专业制造48V强力圆管式推拉联系我们从产品设计到样品以及量产,均有量化高效的工艺流程及老化实验检测,保证了产品的质量与订单的按时交货。
/coinfo-41.html
/elinfo-192.html
/elinfo-191.html
/elinfo-190.html
/elinfo-188.html
/elinfo-187.html
关键词:强力圆管式推拉联系我们
| 上一篇:机械自动化设备用圆管推拉式联系我们 |
| 下一篇:物联网智能柜锁开关联系我们定制 |






